当前位置:
  • 自动清洗机水压驱动旋转接头
  • 自动清洗机水压驱动旋转接头

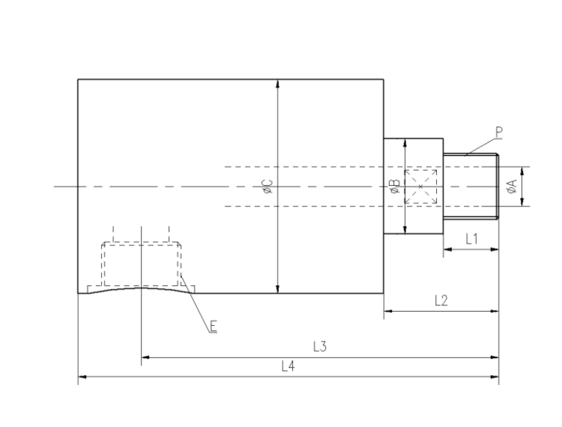
    转速:20 r/min  

    工作温度:-30~+121℃

    压力:35Mpa      适用介质:液压油


    • 0.00
      0.00
商品描述

转速:20 r/min  

工作温度:-30~+121℃

压力:35Mpa      适用介质:液压油




产品展示
Products Show


技术参数:

转速:20 r/min  

工作温度:-30~+121℃

压力:35Mpa      

适用介质:液压油

产品特点
Product Features

GYZ/GYJ旋转接头是用于钢性管道之间转动和高压油管摆动并传输流体的一种活动关节,其内部由轴承支撑,旋转扭矩小,专用密封件使用寿命长
产品特点:
1.轴承支撑,旋转扭矩小;
2.特殊处理不锈钢转子,耐磨损;
3.德国进口专用密封圈,寿命长;
4.具有多种活动关节结合样式,可满足现场工况复杂空间转动传输介质;

产品分类